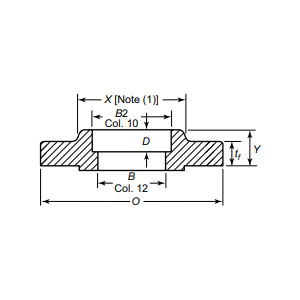
Socket Welding Flange กำหนดนิยามใหม่ให้กับการเชื่อมต่อท่อแรงดันสูงโดยผสานความแข็งแกร่งที่เหนือกว่าเข้ากับไดนามิกของของไหลที่ไร้รอยต่อ ออกแบบมาเพื่อมอบประสิทธิภาพที่ไม่มีใครเทียบได้ในการใช้งานขนาดกะทัดรัดและเดิมพันสูง ออกแบบมาสำหรับท่อที่มีเส้นผ่านศูนย์กลางขนาดเล็ก หน้าแปลนนี้ใช้รูปแบบการเชื่อมแบบซ็อกเก็ตที่ห่อหุ้มรอยเชื่อมภายในหน้าแปลน ขจัดส่วนที่ยื่นออกมาจากการเชื่อมภายนอก และลดความต้านทานการไหลให้เหลือน้อยที่สุด ซึ่งเป็นข้อได้เปรียบที่สำคัญในระบบที่การลดความปั่นป่วนและสุขอนามัยเป็นสิ่งสำคัญยิ่ง การเชื่อมแบบซ่อนไม่เพียงแต่ปรับปรุงประสิทธิภาพการทำความสะอาดและการตรวจสอบในสภาพแวดล้อมปลอดเชื้อ เช่น โรงงานเภสัชกรรมหรือแปรรูปอาหาร แต่ยังเพิ่มความสมบูรณ์ของโครงสร้าง การต้านทานการสั่นสะเทือนและแรงดันไฟกระชากในโรงกลั่นน้ำมันและก๊าซ เครื่องปฏิกรณ์เคมี หรือท่อไอน้ำแรงดันสูง ผลิตด้วยเครื่องจักรอย่างแม่นยำจากเหล็กกล้าคาร์บอนหลอมหรือเหล็กกล้าไร้สนิม โดยผสมผสานความต้านทานการกัดกร่อนเข้ากับความต้านทานแรงดึงที่ยอดเยี่ยม ช่วยให้มั่นใจได้ถึงการปิดผนึกที่ป้องกันการรั่วแม้ภายใต้อุณหภูมิและแรงกดดันที่สูงมาก
| ช่วงเส้นผ่านศูนย์กลาง | DN15(1/2")-DN150(6") |
| ระดับความดัน | 1.6-16MPa |
| ใบรับรอง | PED, AD2000, EAC, เอบีเอส, BV, DNV, NORSOK M650, ISO9001, ISO14001, ISO45001, ฯลฯ. |
| การแนะนำฟังก์ชัน | การเชื่อมต่อแบบซ็อคเก็ต การออกแบบการเชื่อมแบบซ่อนเร้นช่วยลดความต้านทานการไหล ปรับให้เหมาะสมสำหรับการใช้งานแรงดันสูงที่มีเส้นผ่านศูนย์กลางขนาดเล็ก ประสิทธิภาพการปิดผนึกที่เหนือกว่า |
| ฟิลด์แอปพลิเคชัน | ใช้ได้กับการเชื่อมต่อหน้าแปลนท่อในท่อส่งน้ำมันและก๊าซทางไกล แพลตฟอร์มนอกชายฝั่ง อุปกรณ์เคมี ระบบบำบัดน้ำ และอุตสาหกรรมอาหารและยา ซึ่งปรับให้เข้ากับสภาพการทำงานที่ซับซ้อน |
| การบรรจุ | แพคเกจที่เหมาะกับการเดินเรือ, กล่องไม้อัดหรือพาเลทหรือตามความต้องการของลูกค้า |
| สินค้าเด่น | 1、 การสั่งซื้อขั้นต่ำชุดเล็ก; |
การออกแบบที่กะทัดรัดทำให้การติดตั้งในพื้นที่แคบทำได้ง่ายขึ้น ในขณะที่การเชื่อมต่อที่แข็งแกร่งทนทานต่อการขยายตัวทางความร้อนแบบวงจร ทำให้เหมาะสำหรับแพลตฟอร์มนอกชายฝั่ง กังหันผลิตไฟฟ้า และระบบไฮดรอลิก ด้วยการขจัดจุดอ่อนที่อาจเกิดขึ้นและลดรอบการบำรุงรักษา หน้าแปลนนี้ช่วยให้อุตสาหกรรมต่างๆ จัดลำดับความสำคัญด้านความปลอดภัยโดยไม่กระทบต่อประสิทธิภาพ ได้รับการสนับสนุนจากการปฏิบัติตามมาตรฐาน ASME B16.5 และการทดสอบแบบไม่ทำลายอย่างเข้มงวด จึงรับประกันความน่าเชื่อถือในการดำเนินงานที่มีความสำคัญต่อภารกิจ สำหรับวิศวกรที่กำลังมองหาโซลูชันแรงดันสูงขนาดกะทัดรัดที่ผสมผสานความทนทานเข้ากับการปรับแต่งของเหลวให้เหมาะสม Socket Welding Flange คือตัวเลือกที่ดีที่สุด ยกระดับโครงสร้างพื้นฐานของคุณตั้งแต่วันนี้ด้วยหน้าแปลนที่ออกแบบอย่างแม่นยำของเรา ซึ่งนวัตกรรมมาพบกับความยืดหยุ่น ช่วยให้ระบบของคุณทำงานได้อย่างแม่นยำ ปลอดภัย และมั่นใจอย่างไม่เปลี่ยนแปลง เลือกความเป็นเลิศ เลือกความอดทน และเปลี่ยนแปลงศักยภาพของไปป์ไลน์ของคุณ
ตั้งแต่วัตถุดิบจนถึงการจัดส่งขั้นสุดท้าย เรารักษาการควบคุมอย่างเข้มงวดในทุกขั้นตอนเพื่อให้มั่นใจในความทนทาน ประสิทธิภาพ และความสม่ำเสมอ
01
02
03
04
05
06
07
08
09
10
11
12
