Lap Joint Flange กำหนดนิยามใหม่ของความยืดหยุ่นในระบบท่อ โดยนำเสนอโซลูชั่นแบบไดนามิกสำหรับการจัดการการขยายตัวทางความร้อนและความเค้นหดตัว ในขณะเดียวกันก็ทำให้สามารถแยกชิ้นส่วนได้อย่างราบรื่นในการใช้งานที่มีแรงดันต่ำ การผสมผสานระหว่างวงแหวนหน้าแปลนที่แข็งแกร่งกับส่วนประกอบหน้าแปลนแบบหมุนได้ การออกแบบเชิงนวัตกรรมนี้ทำให้สามารถควบคุมการเคลื่อนที่ตามแนวแกนของท่อได้ และดูดซับการเปลี่ยนแปลงที่เกิดจากอุณหภูมิได้อย่างมีประสิทธิภาพโดยไม่กระทบต่อความสมบูรณ์ของโครงสร้าง มีให้เลือกสองรูปแบบ ได้แก่ ประเภทแหวนเชื่อมแบบชน (PJ/SE) สำหรับข้อต่อเชื่อมที่มีความแม่นยำสูง และประเภทแหวนเชื่อมแบบแบน (PJ/RJ) สำหรับการติดตั้งที่ง่ายขึ้น ตอบสนองความต้องการในการปฏิบัติงานที่หลากหลาย ในขณะที่ยังคงประสิทธิภาพการป้องกันการรั่วซึม หน้าแปลนได้รับการออกแบบทางวิศวกรรมจากเหล็กกล้าคาร์บอนพรีเมียมหรือสเตนเลสสตีล ต้านทานการกัดกร่อนและการสึกหรอทางกล ทำให้มั่นใจในความน่าเชื่อถือในอุตสาหกรรมต่างๆ เช่น การแปรรูปทางเคมี การบำบัดน้ำ และการผลิตอาหาร ซึ่งมีการบำรุงรักษาบ่อยครั้งหรืออัปเกรดอุปกรณ์เป็นประจำ
| เส้นผ่านศูนย์กลาง | DN50(2")-DN2000(80") |
| ความกดดัน | 0.6-2.5MPa |
| ใบรับรอง | PED, AD2000, EAC, เอบีเอส, BV, DNV, NORSOK M650, ISO9001, ISO14001, ISO45001, ฯลฯ. |
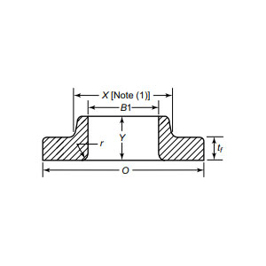
| การแนะนำฟังก์ชัน | เมื่อใช้ร่วมกับวงแหวนหน้าแปลนและหน้าแปลน ช่วยให้สามารถเคลื่อนตัวตามแนวแกนของท่อและลดความเครียดจากการขยายตัวเนื่องจากความร้อน ประเภท: แหวนเชื่อมแบบชน (PJ/SE) และแหวนเชื่อมแบบแบน (PJ/RJ) เหมาะสำหรับท่อแรงดันต่ำที่ต้องรื้อบ่อยครั้ง |
| ฟิลด์แอปพลิเคชัน | ใช้ได้กับการเชื่อมต่อหน้าแปลนท่อในท่อส่งน้ำมันและก๊าซทางไกล แพลตฟอร์มนอกชายฝั่ง อุปกรณ์เคมี ระบบบำบัดน้ำ และอุตสาหกรรมอาหารและยา ซึ่งปรับให้เข้ากับสภาพการทำงานที่ซับซ้อน |
| การบรรจุ | แพคเกจที่เหมาะกับการเดินเรือ, กล่องไม้อัดหรือพาเลทหรือตามความต้องการของลูกค้า |
| สินค้าเด่น | 1、 การสั่งซื้อขั้นต่ำชุดเล็ก; |
กลไกการหมุนช่วยให้การจัดตำแหน่งระหว่างการประกอบง่ายขึ้น ลดต้นทุนแรงงานและเวลาหยุดทำงานในระบบ เช่น เครื่องจักรไฮดรอลิก เครือข่าย HVAC หรือการตั้งค่าอุตสาหกรรมแบบโมดูลาร์ โดยการแยกการเคลื่อนที่ของหน้าแปลนออกจากความเค้นของท่อ จะช่วยยืดอายุการใช้งานของปะเก็นและโบลต์ และลดค่าใช้จ่ายในการเปลี่ยนในระยะยาว ตั้งแต่แพลตฟอร์มนอกชายฝั่งที่ต้องการการชดเชยความร้อนไปจนถึงโรงงานผลิตยาที่ต้องการการเชื่อมต่อที่ปลอดเชื้อและทำความสะอาดง่าย Lap Joint Flange รับประกันการปฏิบัติตามมาตรฐาน ASME และ EN ในขณะเดียวกันก็ปรับให้เข้ากับความต้องการในการปฏิบัติงานที่เปลี่ยนแปลงไป ด้วยการทดสอบที่เข้มงวดและความเข้ากันได้ที่หลากหลาย ช่วยให้วิศวกรสามารถออกแบบโครงสร้างพื้นฐานที่ยืดหยุ่นและพร้อมสำหรับอนาคต อัปเกรดระบบท่อของคุณวันนี้ด้วย Lap Joint Flanges ของเรา ซึ่งวิศวกรรมที่มีความแม่นยำมาพบกับความแข็งแกร่งในการปรับตัว ช่วยให้การปฏิบัติงานของคุณประสบความสำเร็จในสภาพแวดล้อมแบบไดนามิก เลือกความยืดหยุ่น เลือกความอดทน และปลดล็อกยุคใหม่แห่งประสิทธิภาพ
ตั้งแต่วัตถุดิบจนถึงการจัดส่งขั้นสุดท้าย เรารักษาการควบคุมอย่างเข้มงวดในทุกขั้นตอนเพื่อให้มั่นใจในความทนทาน ประสิทธิภาพ และความสม่ำเสมอ
01
02
03
04
05
06
07
08
09
10
11
12
