ข้องอ 90 องศาฟอร์จ กำหนดนิยามใหม่ของประสิทธิภาพในระบบท่อ โดยนำเสนอโซลูชั่นที่แข็งแกร่งสำหรับการเปลี่ยนแปลงทิศทาง 90° ที่แม่นยำ ในขณะเดียวกันก็รับประกันการติดตั้งและบำรุงรักษาที่ง่ายดายผ่านการออกแบบการเชื่อมต่อแบบเกลียว ข้องอนี้ผลิตจากเหล็กกล้าคาร์บอนฟอร์จคุณภาพสูงหรือสเตนเลสสตีล โดยผสมผสานความแข็งแกร่งเป็นพิเศษเข้ากับความต้านทานการกัดกร่อน ทำให้เหมาะสำหรับระบบของไหลแรงดันต่ำที่ความน่าเชื่อถือและความสามารถในการปรับตัวเป็นสิ่งสำคัญที่สุด ปลายเกลียวช่วยให้ประกอบและถอดชิ้นส่วนได้อย่างรวดเร็วโดยไม่ต้องใช้เครื่องมือพิเศษ ทำให้ขั้นตอนการบำรุงรักษาง่ายขึ้นในการใช้งาน เช่น เครือข่ายการจ่ายน้ำ ระบบ HVAC และการตั้งค่าระบบชลประทานทางอุตสาหกรรม การออกแบบที่กะทัดรัดช่วยให้นำทางในพื้นที่แคบได้อย่างง่ายดาย ปรับประสิทธิภาพการไหลให้เหมาะสม ในขณะเดียวกันก็ลดความปั่นป่วนและแรงดันตก ซึ่งเป็นข้อได้เปรียบที่สำคัญในสภาพแวดล้อมที่จำกัด เช่น วิศวกรรมทางทะเล การแปรรูปอาหาร และโรงงานผลิตยา
| ขนาด | DN15(1/2")~DN600(24") |
| ระดับความดัน | คลาส 2000~6000 |
| ประเภทเกลียว | NPT, BSPP, BSPT |
| ใบรับรอง | PED, AD2000, EAC, เอบีเอส, BV, DNV, NORSOK M650, ISO9001, ISO14001, ISO45001, ฯลฯ. |
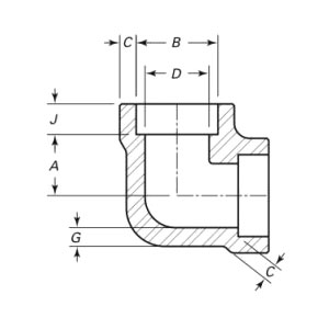
| การแนะนำฟังก์ชัน | ใช้สำหรับการหมุนท่อ 90° ด้วยการเชื่อมต่อแบบเกลียว ง่ายต่อการถอดประกอบและบำรุงรักษา เหมาะสำหรับระบบของไหลแรงดันต่ำ |
| ฟิลด์แอปพลิเคชัน | ออกแบบมาสำหรับระบบท่อแรงดันสูง เหมาะสำหรับการเชื่อมต่อและบังคับเลี้ยวชิ้นส่วนสำคัญ เช่น การกลั่นปิโตรเลียม อุปกรณ์พลังงานนิวเคลียร์ อุปกรณ์เคมี ภาชนะรับแรงดันหม้อไอน้ำ เป็นต้น |
| การบรรจุ | แพคเกจที่เหมาะกับการเดินเรือ, กล่องไม้อัดหรือพาเลทหรือตามความต้องการของลูกค้า |
| สินค้าเด่น | 1、 การสั่งซื้อขั้นต่ำชุดเล็ก; |
ออกแบบมาเพื่อทนต่ออุณหภูมิที่ผันผวนและความเค้นเชิงกล ข้องอนี้รับประกันประสิทธิภาพการป้องกันการรั่วในระบบไฮดรอลิก ระบบควบคุมแบบนิวแมติก และท่อไอน้ำแรงดันต่ำ ช่วยลดเวลาหยุดทำงานและต้นทุนการดำเนินงานในระยะยาว ด้วยการปรับปรุงการกำหนดเส้นทางที่ซับซ้อนและกำจัดจุดล้มเหลวที่อาจเกิดขึ้น ช่วยให้อุตสาหกรรมสามารถรักษาการจัดการของเหลวได้อย่างราบรื่นแม้ในรูปแบบที่จำกัดพื้นที่ สำหรับวิศวกรที่ให้ความสำคัญกับความทนทาน ความยืดหยุ่น และความคุ้มค่า ข้องอ 90 องศาฟอร์จคือพันธมิตรที่เชื่อถือได้ อัปเกรดโครงสร้างพื้นฐานของคุณวันนี้ด้วยข้อศอกปลอมแปลงอย่างแม่นยำของเรา ซึ่งประสิทธิภาพที่แข็งแกร่งมาพร้อมกับการออกแบบที่ชาญฉลาด ทำให้มั่นใจได้ว่าระบบของคุณทำงานได้อย่างไร้ที่ติภายใต้ความต้องการของอุตสาหกรรมสมัยใหม่ เลือกความน่าเชื่อถือ เลือกประสิทธิภาพ และเปลี่ยนเครือข่ายไปป์ไลน์ของคุณด้วยโซลูชันที่สร้างขึ้นเพื่อความทนทาน
ตั้งแต่วัตถุดิบจนถึงการจัดส่งขั้นสุดท้าย เรารักษาการควบคุมอย่างเข้มงวดในทุกขั้นตอนเพื่อให้มั่นใจในความทนทาน ประสิทธิภาพ และความสม่ำเสมอ
01
02
03
04
05
06
07
08
09
10
11
12
