Threaded Flange ปฏิวัติการเชื่อมต่อไปป์ไลน์โดยนำเสนอโซลูชั่นที่ปลอดภัยและไร้การเชื่อมสำหรับการต่อท่อเกลียว ทำให้เป็นตัวเลือกที่ดีที่สุดสำหรับสภาพแวดล้อมที่ความปลอดภัยและความสามารถในการปรับตัวไม่สามารถต่อรองได้ ออกแบบทางวิศวกรรมด้วยเกลียวภายในที่มีความแม่นยำ หน้าแปลนนี้ผสานรวมเข้ากับท่อเหล็กชุบสังกะสีหรือระบบที่ห้ามการเชื่อมได้อย่างลงตัว เช่น การตั้งค่าทางอุตสาหกรรมที่ติดไฟ ระเบิดได้ หรือมีความไวสูง การออกแบบเชิงนวัตกรรมช่วยขจัดอันตรายจากไฟไหม้ที่เกี่ยวข้องกับการเชื่อม ทำให้มั่นใจได้ว่าสอดคล้องกับระเบียบการด้านความปลอดภัยที่เข้มงวด ขณะเดียวกันก็ให้ซีลที่แข็งแกร่งและป้องกันการรั่วซึมที่ทนทานต่อความต้องการแรงดันสูง การเชื่อมต่อแบบเกลียวช่วยให้ติดตั้งและถอดชิ้นส่วนได้อย่างรวดเร็ว ช่วยให้ทีมบำรุงรักษาสามารถแก้ไขปัญหาหรืออัปเกรดระบบโดยไม่ต้องใช้อุปกรณ์พิเศษ ลดการหยุดทำงานในการดำเนินงานที่สำคัญ เช่น การแปรรูปทางเคมี การจำหน่ายน้ำมันและก๊าซ หรือการผลิตยา
| ขนาด | DN15(1/2")-DN600(24") |
| ระดับความดัน | 0.6- 4.0MPa |
| ช่วงอุณหภูมิ | -45°C ถึง 260°C |
| ใบรับรอง | PED,AD2000,EAC, เอบีเอส,BV, DNV,NORSOK M650, ISO9001,ISO14001,ISO45001,ฯลฯ. |
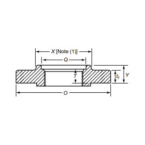
| การแนะนำฟังก์ชัน | หน้าแปลนเกลียวเชื่อมต่อกับท่อเกลียวผ่านเกลียวท่อภายใน ช่วยลดการเชื่อม เหมาะสำหรับท่อเหล็กชุบสังกะสีหรือสภาพแวดล้อมการเชื่อมที่มีข้อจำกัด (ไวไฟ/ระเบิด) โดดเด่นด้วยการติดตั้งที่ง่ายและการบำรุงรักษาที่ยืดหยุ่น เหมาะอย่างยิ่งสำหรับโลหะผสมเหล็กและวัสดุอื่นๆ ที่มีความสามารถในการเชื่อมต่ำ |
| ฟิลด์แอปพลิเคชัน | ใช้ได้กับการเชื่อมต่อหน้าแปลนท่อในท่อส่งน้ำมันและก๊าซทางไกล แพลตฟอร์มนอกชายฝั่ง อุปกรณ์เคมี ระบบบำบัดน้ำ และอุตสาหกรรมอาหารและยา ซึ่งปรับให้เข้ากับสภาพการทำงานที่ซับซ้อน |
| การบรรจุ | แพคเกจที่เหมาะกับการเดินเรือ, กล่องไม้อัดหรือพาเลทหรือตามความต้องการของลูกค้า |
| สินค้าเด่น | 1、การสั่งซื้อขั้นต่ำชุดเล็ก; |
เหมาะสำหรับวัสดุที่เสี่ยงต่อการเชื่อม เช่น เหล็กโลหะผสม หน้าแปลนเกลียวช่วยรักษาความสมบูรณ์ของวัสดุ หลีกเลี่ยงการเปราะหรือการบิดเบี้ยวที่เกิดจากความร้อน โครงสร้างที่ทนต่อการกัดกร่อน มีให้เลือกทั้งแบบเหล็กกล้าคาร์บอนหรือสเตนเลส ช่วยให้มั่นใจได้ถึงอายุการใช้งานที่ยาวนานแม้ในสภาพแวดล้อมที่รุนแรง ตั้งแต่แท่นขุดเจาะนอกชายฝั่งไปจนถึงระบบสุขาภิบาลเกรดอาหาร หน้าแปลนนี้ได้รับการสนับสนุนจากการปฏิบัติตามมาตรฐานระดับโลกอย่างเข้มงวด รับประกันความน่าเชื่อถือในการใช้งานที่มีความเสี่ยงสูง รวมถึงระบบไฮดรอลิก ท่อไครโอเจนิก และการถ่ายโอนของเหลวที่ติดไฟได้ สำหรับอุตสาหกรรมที่ให้ความสำคัญกับความปลอดภัย ประสิทธิภาพ และการบำรุงรักษาที่คุ้มต้นทุน Threaded Flange คือโซลูชันที่พลิกโฉมได้ ยกระดับโครงสร้างพื้นฐานของคุณวันนี้ด้วย Thread Flanges ระดับพรีเมียมของเรา ซึ่งนวัตกรรมพบกับความปลอดภัยที่เหนือชั้น ช่วยให้ระบบของคุณทำงานได้อย่างไร้ที่ติในสภาวะที่มีความต้องการมากที่สุด เลือกความมั่นใจ เลือกความทนทาน และกำหนดศักยภาพของไปป์ไลน์ของคุณใหม่
ตั้งแต่วัตถุดิบจนถึงการจัดส่งขั้นสุดท้าย เรารักษาการควบคุมอย่างเข้มงวดในทุกขั้นตอนเพื่อให้มั่นใจในความทนทาน ประสิทธิภาพ และความสม่ำเสมอ
01
02
03
04
05
06
07
08
09
10
11
12
