Butt Weld Stub-end เป็นโซลูชันอเนกประสงค์สำหรับระบบท่อสมัยใหม่ ผสมผสานประสิทธิภาพที่แข็งแกร่งเข้ากับความยืดหยุ่นในการติดตั้งที่ไม่มีใครเทียบได้ ออกแบบมาเพื่อยุติท่อในขณะที่เชื่อมต่อกับหน้าแปลนหรือส่วนประกอบอื่นๆ ได้ง่าย ช่วยให้การบำรุงรักษาง่ายขึ้น ลดการหยุดทำงาน และรับประกันความสมบูรณ์ของการป้องกันการรั่วไหลแม้ภายใต้สภาวะแรงดันสูงและการกัดกร่อน คอเชื่อมที่ออกแบบอย่างแม่นยำช่วยให้เปลี่ยนระหว่างท่อและหน้าแปลนได้อย่างราบรื่น ขจัดจุดอ่อนและรับประกันความทนทานในระยะยาวในสภาพแวดล้อมที่มีความต้องการมากที่สุด ในการใช้งานทางอุตสาหกรรม เช่น การแปรรูปทางเคมี น้ำมันและก๊าซ และการผลิตกระแสไฟฟ้า Butt Weld Stub-end เป็นเลิศในการจัดการตัวกลางที่มีฤทธิ์กัดกร่อน อุณหภูมิสุดขั้ว และแรงดันที่ผันผวน ซึ่งช่วยลดความเสี่ยงของการรั่วไหลหรือความล้มเหลวที่มีค่าใช้จ่ายสูง
| ขนาด | DN15(1/2")-DN1200(48") |
| ความหนาของผนัง | Sch5S-Sch160 |
| ประเภท | ไม่มีรอยต่อ/เชื่อม |
| ใบรับรอง | PED, AD2000, EAC, เอบีเอส, BV, DNV, NORSOK M650, ISO9001, ISO14001, ISO45001, ฯลฯ. |
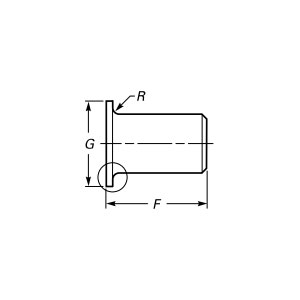
| บทนำฟังก์ชั่น | Stub-end คือข้อต่อท่อที่สร้างขอบปากท่อให้เป็นขอบแนวตั้งตามแนวโค้งเฉพาะผ่านการปั๊มหรือการเชื่อม ส่วนใหญ่จะใช้สำหรับเชื่อมต่อท่อกับหน้าแปลน วาล์ว หรืออุปกรณ์ท่ออื่น ๆ เพื่อเพิ่มการปิดผนึกและความแข็งแรงของโครงสร้าง การออกแบบนี้มาแทนที่กระบวนการวาดที่ซับซ้อน ปรับการไหลของพลาสติกวัสดุให้เหมาะสม หลีกเลี่ยงการแตกร้าวหรือรอยย่น ลดขั้นตอนการประมวลผล และประหยัดวัสดุ เหมาะอย่างยิ่งสำหรับระบบส่งของเหลวที่มีแรงดันสูง ทนต่อการกัดกร่อน หรือแม่นยำ |
| ฟิลด์แอปพลิเคชัน | ใช้กันอย่างแพร่หลายในการเชื่อมต่อระบบท่อในด้านปิโตรเคมี การขนส่งก๊าซธรรมชาติ พลังงานไฟฟ้า การต่อเรือ และวิศวกรรมเทศบาล เหมาะสำหรับสภาพแวดล้อมที่มีแรงดันสูง อุณหภูมิสูง และการกัดกร่อนของสื่อ |
| การบรรจุ | แพคเกจที่เหมาะกับการเดินเรือ, กล่องไม้อัดหรือพาเลทหรือตามความต้องการของลูกค้า |
| สินค้าเด่น | 1、 การสั่งซื้อขั้นต่ำชุดเล็ก; |
ระบบน้ำและน้ำเสียของเทศบาลได้รับประโยชน์จากวัสดุที่ทนต่อการกัดกร่อน เช่น สแตนเลสหรือโลหะผสมดูเพล็กซ์ ช่วยให้มั่นใจได้ถึงบริการที่เชื่อถือได้มานานหลายทศวรรษ ขณะเดียวกันก็ได้มาตรฐานด้านความปลอดภัยและสุขอนามัยที่เข้มงวด อุตสาหกรรมอาหารและยาพึ่งพาการออกแบบที่ราบรื่นและไร้รอยแยกเพื่อรักษาสภาพสุขอนามัยและป้องกันการปนเปื้อน ด้วยการทำให้สามารถถอดแยกชิ้นส่วนและประกอบกลับได้อย่างรวดเร็ว ส่วนประกอบนี้จะช่วยลดต้นทุนค่าแรงและการหยุดชะงักในการปฏิบัติงานในระหว่างการตรวจสอบหรือซ่อมแซม การเลือก Butt Weld Stub-end หมายถึงการลงทุนในโครงสร้างพื้นฐานที่พร้อมสำหรับอนาคตที่สร้างความสมดุลระหว่างความแข็งแกร่ง ความสามารถในการปรับตัว และความคุ้มค่า ร่วมมือกับเราเพื่อปฏิวัติระบบท่อของคุณ—ออกแบบมาให้ใช้งานได้จริงและสร้างขึ้นให้มีอายุการใช้งานยาวนาน ติดต่อผู้เชี่ยวชาญของเราวันนี้และค้นพบว่าส่วนประกอบที่สำคัญนี้สามารถยกระดับโครงการของคุณสู่มาตรฐานใหม่แห่งความเป็นเลิศได้อย่างไร ดำเนินการทันทีเพื่อรักษาโซลูชันที่ผสมผสานนวัตกรรม ความน่าเชื่อถือ และความสามารถในการขยายขนาดได้อย่างง่ายดาย!
ตั้งแต่วัตถุดิบจนถึงการจัดส่งขั้นสุดท้าย เรารักษาการควบคุมอย่างเข้มงวดในทุกขั้นตอนเพื่อให้มั่นใจในความทนทาน ประสิทธิภาพ และความสม่ำเสมอ
01
02
03
04
05
06
07
08
09
10
11
12
13
14
15
